

通知公告
关于柴油发电机组的安装指南
- 分类: 通知公告
- 作者:
- 来源:
- 发布时间:2020-12-25
- 访问量: 83
【概要描述】2.安 装2.1概述当用户选用好柴油发电机组具体的型号后,该机组的体积、重量、功率、使用类型均已确定,结合用户的实际使用要求使用地点及控制系统和配电系统等具体情况,则可制定柴油发电机组的安装计划和实施法案了。本章节为了配合用户安装,对机组的...
关于柴油发电机组的安装指南
【概要描述】2.安 装2.1概述当用户选用好柴油发电机组具体的型号后,该机组的体积、重量、功率、使用类型均已确定,结合用户的实际使用要求使用地点及控制系统和配电系统等具体情况,则可制定柴油发电机组的安装计划和实施法案了。本章节为了配合用户安装,对机组的...
- 分类: 通知公告
- 作者:
- 来源:
- 发布时间:2020-12-25
- 访问量: 83
2.安 装
2.1概述
当用户选用好柴油发电机组具体的型号后,该机组的体积、重量、功率、使用类型均已确定,结合用户的实际使用要求使用地点及控制系统和配电系统等具体情况,则可制定柴油发电机组的安装计划和实施法案了。
本章节为了配合用户安装,对机组的使用情况及安装要求做了简单的描述,用户若需进一步了解有关机组的详细技术资料,请参阅随机发动机和发电机使用说明书或向本公司技术服务部咨询。
2.2存放
为便于机组保修期限的科学计算和满足用户尽快投入使用的愿望,及方便机组正常的维护保养,建议当机组到达使用场地后能立即安装调试,并安排专职人员负责机组的操作和日常维护保养等工作。
如因一些特殊原因时,机组需要存放一段时间,则应视时间长短而做出合理可行的存放方案。柴油发电机组存放会对柴油发动机和主交流发电机形成决定性的不利影响,而正确的存放方法是十分必要的。
柴油发电机组的存放应按步骤进行,包括机组全面清洁、保洁机组的干燥通风、更换适当品质的新润滑油、彻底放掉水箱内的冷却液和将机组作防锈处理等。
机组的存放地点应能确保不被树以及物品砸到,以免发生损坏。除此之外,还建议用户专门建造一个独立仓库,并杜绝易燃易爆物品放在柴油发电机组的周围,有必要预防一些消防措施,如放置ABC级灭火器等。
为防止湿气进入主交流发电机线圈,以及最大限度地减少湿气凝结,使发电机的绝缘性能降低,甚至影响到机组的可使用性,应注意保持发电机周围环境的干燥,或采用一些特殊的措施如利用适当的加热除湿装置等,使线圈始终保持必要的干燥。
存放机组应避免过热,过冷或雨淋日晒等。
发电机组配套的启动蓄电池为铅酸免维护蓄电池,在机组调试使用前建议用户应注意每隔5至8周充满电一次,以免蓄电池损坏或降低使用寿命。蓄电池存放时,应避免直接暴露在阳光下及淋雨。
经过一段时间的存放后,应注意在安装使用前先检查该柴油发电机组是否有损坏,全面检查机组电器部分是否被氧化、所有连接部分是否松动以及主发电机线圈是否依旧保持干燥及机体表面是否清洁干燥等,必要时应采取适当的措施予以处理。
以上内容,同样适合于机组在机房的安装,即对机房提出的最基本要求。
2.3移动
柴油发电机组在运输时,应对机组进行必要的安全防护。另外,机组应可靠固定在车厢内,以免颠簸振动导致其部件松动甚至损坏。柴油发电机组在运输过程中,机组上禁止堆放物件及人员踩踏,避免机组受损。
当从车辆上装卸机组时,应使用叉车或吊车设备,以避免机组侧倒或掉落地面,导致摔坏。
柴油发电机组出厂具有吊装槽或吊装孔,用户可利用该吊装孔对机组进行吊装,切勿用柴油机或交流发电机的吊环起吊柴油发电机组。
对于移动电站或静音型机组等专用特殊场合、具有特殊用途的非常规机组,移动、搬运和吊装就会容易得多。因为这类机组均具有专门设计的方便搬运和容易安装的外壳,甚至部分类型的机组还专门安装了橡胶拖动轮。此类外壳也可给机组的许多零部件提供了较好的安全保护,进一步避免机组的雨淋、日晒及运输途中的碰伤等伤害。并可防止不相干的人员随意乱动。
2.4机房安装
机组安装方案的第一步应是选定机组的安装地点(2.2存放要求。是选定机房最基本的参照要求);通常,安装地点的选定,多数是以使用的方便性和配电连接的经济性及有利于机组的使用和保养等为依据。但是,安装位置的选定,还应兼顾以下几个方面,这个十分重要。
●确保机房进、排风顺畅,必须将散热器排出的热空气导流出机房并阻止其回流;
●确保机组运行时所产生的噪音和烟雾尽可能小的污染周围环境;
●柴油发电机组的周围应有足够的空间,以便于机组的冷却、操作和维护保养等。一般来说,至少周围1~1.5米,以上1.5~2米以内不允许有任何其它物体;
●确保机组免受雨淋、日晒、风吹及过热、冻损等损坏;
●机组的周围杜绝存放易燃易爆物体。
2.41基础
用于安放和固定柴油发电机组的基础底座非常重要,它必须符合以下要求:
●支撑整台机组的重量和机组运行时不平衡力所产生的动态冲击负载;
●具有足够的刚度和稳定度,以防止变形而影响柴油发电机和主交流发电机及附件等的同轴度;
●吸收机组运行时所产生的震动,尽量减少震动传递给基础和墙壁等;
●基础应尽可能平整光滑;
●有条件的可预留排污槽,以便废水污油等及时流走。预留发电机配电输出电缆沟。
通常,混凝土安装基础是一种可靠简便的安装方式,建议用户优先采用。当浇注混凝土底座时,应确保混凝土的表面平整、没有任何损伤,建议用户结合使用水平仪或类似仪器进行机组及其排气系统的安装。
一般来说,柴油发电机组的混凝土平台高度只需在100~200mm之间就可以了。用于制作混凝土平台底土同样必须有足够承载强度来承受它上面的整个装置和混凝土基础的总重量。
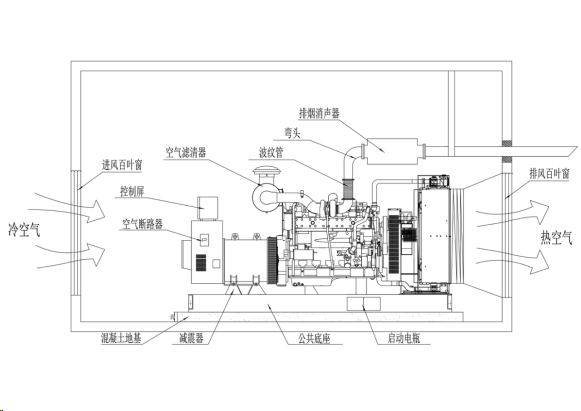
柴油发电机组安装布置请参阅“机组安装示意图”:


发电机组机房安装尺寸参考表(单位:mm)
机组型号 | 基础面积 | 机房面积 | 机房高度 | 进(排)风面积 | 排烟管内经 |
30GF | 2000×800 | 3800×3400 | 4000 | 600×600 | >Φ60 |
40GF | 2000×800 | 3800×3400 | 4200 | 700×700 | >Φ80 |
64GF | 2000×800 | 3800×3400 | 4500 | 700×700 | >Φ80 |
75GF | 2000×800 | 3800×3400 | 4500 | 700×700 | >Φ80 |
90GF | 2000×800 | 3800×3400 | 4800 | 800×800 | >Φ80 |
100GF | 2000×800 | 3800×3400 | 4800 | 800×800 | >Φ95 |
120GF | 2000×800 | 3800×3400 | 4800 | 800×950 | >Φ95 |
150GF | 2000×800 | 3800×3400 | 5000 | 800×950 | >Φ95 |
180GF | 2000×800 | 3800×3400 | 5000 | 1000×1000 | >Φ100 |
200GF | 3300×1250 | 5500×5000 | 5000 | 1000×1000 | >Φ100 |
250GF | 3300×1450 | 3800×3400 | 5000 | 700×700 | >Φ100 |
280GF | 3300×1450 | 3800×3400 | 5000 | 700×700 | >Φ100 |
300GF | 3500×1600 | 3800×3400 | 5000 | 700×700 | >Φ100 |
320GF | 3500×1600 | 3800×3400 | 5000 | 800×800 | >Φ100 |
350GF | 3500×1600 | 3800×3400 | 5000 | 800×800 | >Φ100 |
400GF | 3650×1700 | 3800×3400 | 5000 | 800×950 | >Φ150 |
450GF | 3650×1700 | 3800×3400 | 5000 | 800×950 | >Φ150 |
500GF | 3700×1700 | 3800×3400 | 5000 | 1000×1000 | >Φ150 |
550GF | 3700×1700 | 3800×3400 | 5000 | 1000×1000 | >Φ150 |
600GF | 3800×1750 | 3800×3400 | 5000 | 1000×1000 | >Φ150 |
650GF | 3900×1800 | 3800×3400 | 5500 | 1000×1000 | >Φ150 |
700GF | 4800×2000 | 3800×3400 | 5500 | 1000×1000 | >Φ160 |
800GF | 5000×2100 | 3800×3400 | 5500 | 1000×1000 | >Φ160 |
900GF | 5000×2100 | 3800×3400 | 5500 | 1000×1000 | >Φ160 |
1000GF | 6000×2200 | 3800×3400 | 5500 | 1000×1000 | >Φ160 |
1200GF | 6000×2200 | 3800×3400 | 5500 | 2200×2200 | >Φ180 |
注:以上机房安装尺寸仅供参考,柴油机品牌、型号不同机房的安装尺寸也不一样

